- ¿ë±â/º´ ¹Ù´ÚÀÇ 100% °Ë»ç - »ç°¢ ÁöÁ¡ ¾øÀ½
- ÀÚµ¿ ŽÁö ¹× ÀÚµ¿ºÒ·®¹èÃâ
- Simul-Task ¢â °¡ °¢ ŽÁö ´ë»óÀ» ÃÖÀûÈ
- »õ Á¦Ç°À» À§ÇÑ ÀÚµ¿ ÇнÀ ±â´É ¼³Á¤
- ¿ø°Ý ±â¼ú Áö¿øÀ» À§ÇÑ ¸ðµ© ¹× ÀÌ´õ³Ý Ä«µå ³»Àå
- ÃÖ´ë 400 FPM(120 MPM)ÀÇ °í¼Ó À̹Ì¡
- ¿ÏÀüÈ÷ ¹ÐÆóµÈ X¼± ¹ß»ýÀåÄ¡ ¹× Àü¿ø°ø±ÞÀåÄ¡
- ¼·¾¾ 0-43µµ(Ⱦ¾ 32-110µµ) ¹üÀ§ÀÇ ¿¡¾îÄÁ ³Ã°¢
- Multi-Task ¢â À̹Ì¡ Ãß°¡ ±â´É
¹«°Ô È®ÀÎ ±â´É, ¼±Åà ¿µ¿ª ¹«°Ô ÃøÁ¤, À¯½Ç ǰ¸ñ ŽÁö, ºñ¾î ÀÖ´Â »óÀÚ Å½Áö - ÀÛÀº À̹°ÁúÀ» ŽÁöÇϱâ À§ÇÑ °í¼º´É ŽÁö±â
- ¿©·¯ °³ÀÇ ±â°¢ ½ºÅ×À̼ÇÀÌ °Ë»ç ·çƾ¿¡ ¿¬°á
- ÄÁº£ÀÌ¾î ¿É¼Ç »ç¿ë °¡´É
| Ç׸ñ | ±â¼ú»ç¾ç | |
|---|---|---|
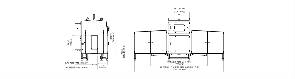
| ±âº»»ç¾ç | ÅͳΠũ±â | Æø 9.9" * ³ôÀÌ 37.25" º§Æ® »ó´Ü¿¡¼ ÅͳΠ»ó´Ü±îÁö 18.25" + /-2" (ÀÌ Å©±â´Â Á¦Ç°¿¡ µû¶ó ´Ù¸¨´Ï´Ù.) |
| ÄÁº£ÀÌ¾î ³ôÀÌ | 29" -55" (ÃÖ¼Ò ÄÁº£ÀÌ¾î ³ôÀÌ´Â Á¦Ç°¿¡ µû¶ó ´Ù¸¨´Ï´Ù.) | |
| º»°ü Á֯ļö¿¡¼ ÄÁº£ÀÌ¾î ¼Óµµ | 100fpm-400fpm | |
| È¿À² ÁÖ±â | 100% | |
| X¼± ¹ß»ýÀåÄ¡ |
ÃÖ´ë ¾ç±ØÀü¾Ð ¡¤ ³Ã°¢ | 140kV ¡¤ ¿ÏÀüÇÑ ¿ÀÀÏ ¹ÐÆó±¸Á¶ |
| Àü·ù | 5mA | |
| ±¤¼± ¹æÇâ | ¾Õ¿¡¼ µÚ·Î º§Æ®¿¡ ÆòÇà ¹æÇâ | |
| »ç°¢±¤¼± | 2°³ÀÇ ÀÌÁß ±¤¼± Æ©ºê¿¡ ÀÇÇØ »ý¼º | |
| À̹ÌÁö »ý¼º ½Ã½ºÅÛ |
¼ÒÇÁÆ®¿þ¾î | Simul Task ¢â Àü¿ë À̹ÌÁö ó¸® ¼ÒÇÁÆ®¿þ¾î¾÷°è Ç¥ÁØ |
| ÄÄÇ»ÅÍ | ¾÷°è Ç¥ÁØ PC Pentium¢ç4 ÇÁ·Î¼¼¼ 3.2GHz, 1GB RAM ÀåÂø, Windows XP¢ç OS, ÅÍÄ¡ ½ºÅ©¸° Ä÷¯ ¸ð´ÏÅÍ, USB Űº¸µå ÀåÂø | |
| ŽÁö±â | 1.2mm ´ÙÀÌ¿Àµå ÇÇÄ¡ | |
| X¼± º¯È¯±â | 16ºñÆ® A/D º¯È¯±â | |
| Åë½Å | ÀÔÃâ·Â | ÀÔ·Â ½ÅÈ£ 4°³, ±â°¢ Ãâ·Â 4°³, PLC »óÅ ½ÅÈ£ 5°³, RS-232 ÀÎÅÍÆäÀ̽º¸¦ °®Ãá ÀÔÃâ·Â º¸µå |
| ±â¼úÁö¿ø | ¿ø°Ý ±â¼ú Áö¿øÀ» À§ÇÑ ³»Àå ¸ðµ© ¹× Norton PC Anywhere¢ç | |
| ³×Æ®¿öÅ© | ³×Æ®¿öÅ© Ä«µå 10/100Mbps | |
| Åë°è µ¥ÀÌÅÍ | °¡ÁßÄ¡/±â°¢ Åë°èÄ¡ »ç¿ë °¡´É Çü½Ä : List-CSV, GUIÇ¥½Ã, ¸·´ë ±×·¡ÇÁ, SQLµ¥ÀÌÅͺ£À̽º | |
´ÜÀ§ mm




















