- ÀÚµ¿ ŽÁö ¹× ÀÚµ¿ºÒ·®¹èÃâ
- Simul Task ¢â °¡ °¢ ŽÁö ´ë»óÀ» ÃÖÀûÈ
- »õ Á¦Ç°À» À§ÇÑ ÀÚµ¿ ÇнÀ ±â´É ¼³Á¤
- ¿ø°Ý ±â¼ú Áö¿øÀ» À§ÇÑ ¸ðµ© ¹× ÀÌ´õ³Ý Ä«µå ³»Àå
- ÃÖ´ë 250 FPM(76 MPM)ÀÇ °í¼Ó À̹Ì¡
- ¿ÏÀüÈ÷ ¹ÐÆóµÈ X¼± ¹ß»ýÀåÄ¡ ¹× Àü¿ø°ø±ÞÀåÄ¡
- ÀÌÀ½»õ ¾ø´Â ÄÁº£ÀÌ¾î º§Æ®
- °¡º¯ ¼Óµµ µå¶óÀ̺ê
- ¼·¾¾ 0-43µµ(Ⱦ¾ 32-110µµ) ¹üÀ§ÀÇ ¿¡¾îÄÁ ³Ã°¢
- Multi-Task ¢â À̹Ì¡ Ãß°¡ ±â´É
ºñ¾î ÀÖ´Â »óÀÚ Å½Áö, ¸ð¾ç ŽÁö, ºÎ¼Áø Á¶°¢ ŽÁö - ÀÛÀº À̹°ÁúÀ» ŽÁöÇϱâ À§ÇÑ °í¼º´É ŽÁö±â
- ¿©·¯ °³ÀÇ ±â°¢ ½ºÅ×À̼ÇÀÌ °Ë»ç ·çƾ¿¡ ¿¬°á
- IP65¿Í IP69K º¸È£ µî±Þ »ç¿ë °¡´É
| Ç׸ñ | ±â¼ú»ç¾ç | |
|---|---|---|
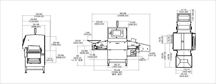
| ±âº»»ç¾ç | ÅͳΠũ±â | 21"(533 mm) Æø * 8"(203 mm) ³ôÀÌ(º§Æ® Ç¥¸é À§) |
| ÃÖ´ë ¹°Ã¼ Å©±â | X-¼± Åõ°ú¹üÀ§ ÂüÁ¶ | |
| ÄÁº£ÀÌ¾î ³ôÀÌ | 32"(812 mm) - 42 "(1066 mm) +/-2"(50 mm) º§Æ®»ó´Ü | |
| º»°ü Á֯ļö¿¡¼ ÄÁº£ÀÌ¾î ¼Óµµ | 50fpm-250fpm (15mpm-76mpm) ¡¤ 50Hz/60Hz | |
| È¿À² ÁÖ±â | 100% | |
| X¼± ¹ß»ýÀåÄ¡ |
ÃÖ´ë ¾ç±ØÀü¾Ð ¡¤ ³Ã°¢ | 140kV ¡¤ ¿ÏÀüÇÑ ¿ÀÀÏ ¹ÐÆó±¸Á¶ |
| Àü·ù | 1mA ¶Ç´Â 5mA | |
| ±¤¼± ¹æÇâ | »ó´Ü Áß¾Ó, ¾Æ·¡ ¹æÇâ | |
| À̹ÌÁö »ý¼º ½Ã½ºÅÛ |
¼ÒÇÁÆ®¿þ¾î | Simul Task ¢â Àü¿ë À̹ÌÁö ó¸® ¼ÒÇÁÆ®¿þ¾î |
| ÄÄÇ»ÅÍ | ¾÷°è Ç¥ÁØ PC Pentium¢ç4 ÇÁ·Î¼¼¼ 3.2GHz, 1GB RAM ÀåÂø, Windows XP¢ç OS, ÅÍÄ¡ ½ºÅ©¸° Ä÷¯ ¸ð´ÏÅÍ, USB Űº¸µå ÀåÂø | |
| ŽÁö±â | 0.8mm ´ÙÀÌ¿Àµå ÇÇÄ¡, 1.2mm ´ÙÀÌ¿Àµå ÇÇÄ¡ | |
| X¼± º¯È¯±â | 16ºñÆ® A/D º¯È¯±â | |
| Åë½Å | ÀÔÃâ·Â | ÀÔ·Â ½ÅÈ£ 4°³, ±â°¢ Ãâ·Â 4°³, PLC »óÅ ½ÅÈ£ 5°³, RS-232 ÀÎÅÍÆäÀ̽º¸¦ °®Ãá ÀÔÃâ·Â º¸µå |
| ±â¼úÁö¿ø | ¿ø°Ý ±â¼ú Áö¿øÀ» À§ÇÑ ³»Àå ¸ðµ© ¹× Norton PC Anywhere¢ç | |
| ³×Æ®¿öÅ© | ³×Æ®¿öÅ© Ä«µå 10/100Mbps | |
| Åë°è µ¥ÀÌÅÍ | °¡ÁßÄ¡/±â°¢ Åë°èÄ¡ »ç¿ë °¡´É Çü½Ä : List-CSV, GUIÇ¥½Ã, ¸·´ë ±×·¡ÇÁ, SQLµ¥ÀÌÅͺ£À̽º | |
´ÜÀ§ mm





















